Comhtháthaíonn an
74HC00
74HC00
RENESAS
74HC00 ST SOP
In Stock: 6124 pcs
, ball feiceálach de theaghlach loighic CMOS, ceithre gheata NAND i bpacáiste amháin, ag giaráil teicneolaíocht sileacain-geata chun luasanna oibríochtúla LS-TTL a mheaitseáil le tomhaltas cumhachta níos ísle.Cuireann an meascán luais agus éifeachtúlachta seo, a bhfuil an cumas aige suas le deich n-ualaí LS-TTL agus clampáil dé-óid inmheánach le haghaidh cosaint scaoilte leictreastatach, an 74HC00 mar chomhpháirt ildánach agus iontaofa i ndearadh ciorcaid dhigiteach.Is féidir leat a chuid aschuir mhaolánaithe a thuiscint le haghaidh díolúine torainn fheabhsaithe agus a chomhoiriúnacht le roinnt coibhéisí caighdeánacha tionscail, rud a chiallaíonn go bhfuil sé mar bhunchloch chun córais dhigiteacha nuálacha agus láidre a chruthú.
Catalóg
An 74hc00, a ionchorpraíonn ceithre gheata Nand, faoi deara as a ailíniú leis an teaghlach LS-TTL.
Ag baint úsáide as teicneolaíocht Silicon-Gate CMOS, baineann sé le luasanna oibríochtúla cosúil le LS-TTL agus fócas ar thomhaltas ísealchumhachta a choinneáil.Ligeann an t -iarmhéid seo duit leas a bhaint as luas agus éifeachtúlacht araon, dearaí a chothú a sheasann le seiftiúlacht.Feabhsaíonn aschuir geata mhaolánaithe díolúine torainn, fachtóir a chuireann le feidhmíocht sheasmhach fiú i dtimpeallachtaí comharthaíochta dúshlánacha.
Mar gheall ar a chumas chun suas le deich n-ualaí LS-TTL a thiomáint, tá sé oiriúnach do chórais ina bhfuil go leor aschuir chomharthaíochta ag teastáil.
Le clampáil dé -óid inmheánach, laghdaíonn sé na rioscaí a bhaineann le hurscaoileadh leictreastatach.Leagann an ghné seo béim ar a ról maidir le fad saoil a leathnú, rud a léiríonn an eagnaíocht a bhaineann le hiontaofacht fhadtéarmach a lorg.
Athsholáthar agus coibhéisí:
•
CD4011
CD4011
I-CORE
701
In Stock: 25220 pcs
• MC54HC00AJD
• M74HC00M1
• SN54LS00
• SN74HCT00DTE4
• 74hct132d
• 74hct00

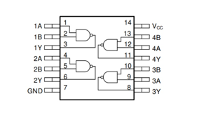
• Pins 1, 2, 4, 5, 9, 10, 12, 13: Ionchuir sonraí
Tá na bioráin seo crafáilte chun comharthaí ionchuir a fháil a threoraíonn oibríochtaí loighic na ngeataí NAND taobh istigh den tslis.A chinntiú go bhfuil na hionchuir seo saor ó chur isteach a chothaíonn iompraíocht chiorcaid iontaofa, ag léiriú rialaithe agus intuarthachta.
• PINS 3, 6, 8, 11: Aschuir Sonraí
Ag gníomhú mar aschuir, cuireann na bioráin seo torthaí ríomhaireachtaí geata NAND in iúl.Is féidir iad a fhostú i dtógálacha éagsúla loighic dhigiteacha, ag fíodóireacht patrúin loighic chasta le chéile.Nuair a bhíonn ciorcaid iolracha ceangailte le haschur amháin, tugann na héifeachtaí lódála féideartha le fios ag an gcothromaíocht íogair a theastaíonn i gcaidrimh chasta.
• PIN 7: talamh (GND)
Nascann an biorán seo le talamh an chórais chun pointe tagartha seasta a sholáthar do voltais.Nuair a bhunaítear nasc cobhsaí den sórt sin tá sé ag teacht leis an iarracht nádúrtha ar an talamh agus ar shoiléire, ag íoslaghdú suaitheadh.
• PIN 14: Soláthar cumhachta dearfach (VCC)
Tacaíonn beathú an voltais cheart tríd an mbiorán seo le feidhmíocht an fheiste.Cé go gcuireann cothabháil laistigh den raon sonraithe le fad saoil agus éifeachtúlacht, is féidir le toilleoirí díchúplála a chur in aice leis na bioráin chumhachta an oibríocht a chobhsú go mór, ag léiriú straitéisí chun castachtaí na beatha a bhainistiú.
Tá an
74HC00
74HC00
RENESAS
74HC00 ST SOP
In Stock: 6124 pcs
deartha le ceithre gheata NAND neamhspleácha a dhíríonn ar éifeachtúlacht cumhachta, a mheallann tú lena fheidhmíocht iontaofa i gciorcaid dhigiteacha.Cuireann a dhíolúine torainn mórthaibhseach le feidhmchláir chobhsaí, a bhfaigheann go leor daoine tarraingteach do thionscadail a thugann tús áite do chomhsheasmhacht.Ar fáil i bhformáidí DIP agus SOIC, comhlíonann sé riachtanais dearaidh éagsúla agus cuireann sé roghanna leagan amach PCB solúbtha ar fáil.
Ligeann inoiriúnaitheacht 74hc00 dó dul isteach i raon leathan cumraíochtaí geata loighic agus córais chasta.Is féidir leat luach a chur ar a chumas tiomána ionchuir/aschuir láidir, agus tá sé úsáideach chun feidhmeanna digiteacha casta a dhéanamh.
Mar gheall ar a chumas chun feidhmiú faoi choinníollacha éagsúla, tá an -tóir ar an 74hc00 san oideachas agus i bhforbairt fréamhshamhla.Spreagann an éascaíocht a bhaineann sé le castacht chiorcaid mhéadaithe tú chun nuálaíochtaí nua a fhiosrú gan feidhmíocht a íobairt.
Forbhreathnú ar an Monaróir
Tá cáil bainte amach ag Texas Instruments as a dhíograis chun táirgí leathsheoltóra iontaofa agus ceannródaíocha a chruthú.Agus a bhfócas díomá ar mharthanacht agus ar fheidhmíocht níos fearr, bíonn comhpháirteanna Texas Instruments i gcroílár na n -iarratas go leor, ag taispeáint a ról éifeachtach sa tionscal leictreonaice.
Toisí fisiceacha
Ag tomhas 8.65mm x 3.91mm x 1.58mm, tá dearadh sleek in oiriúint do thimpeallachtaí dlúth ag an
74HC00
74HC00
RENESAS
74HC00 ST SOP
In Stock: 6124 pcs
.Déanann na toisí seo comhtháthú a shimpliú i leagan amach éagsúil an bhoird chiorcaid, rud a ligeann duit an leas is fearr a bhaint as spás teoranta gan cur isteach ar chumais shuntasacha an fheiste.
Saintréithe Leictreacha
Cuimsíonn an voltas soláthair ó 2V go 6V, ag tairiscint inoiriúnaitheacht chun foinsí cumhachta a roghnú agus ag cinntiú comhoiriúnacht le speictream leathan ciorcaid dhigiteacha.Tacaíonn an raon voltais seo le feidhmchláir ildánacha, rud a chuireann ar chumas an 74hc00 dul i dtaithí ar éilimh athraitheacha i dtimpeallachtaí dinimiciúla.
Dálaí teochta agus comhshaoil
Ag feidhmiú go héifeachtach idir -40 ° C agus 85 ° C, tá an fheiste deartha chun rathú a dhéanamh ar aeráidí éagsúla agus ar choinníollacha tionsclaíocha.Mar gheall ar a fhriotaíocht i gcoinne foircinn teochta, is rogha is fearr é le haghaidh leictreonaic tomhaltóra agus feidhmchláir thionsclaíocha, áit a dtugtar éagsúlacht chomhshaoil.
Méadrachtaí feidhmíochta
Ag tairiscint moill iomadúcháin de 23 nanoseconds, sáraíonn an 74hc00 i bpróiseáil éifeachtúlacht a theastaíonn le haghaidh feidhmeanna loighic ardluais.Tá an fheidhmíocht thapa seo buntáisteach d'iarratais amhail córais rialaithe comharthaí digiteacha agus cumarsáide, áit a bhfuil gá le malartú tapa sonraí.
Comhdhéanamh struchtúrach
Cuimsíonn an fheiste 4 gheata, le haghaidh oibríochtaí loighic NAND, ag soláthar feidhmiúlacht shubstaintiúil do dhearaí loighce casta.Cruthaíonn an chumraíocht seo buntáiste nuair is gá oibríochtaí loighciúla a fhorghníomhú go héifeachtúil, ag cinntiú próiseála tapa agus iontaofa laistigh de chórais.
Aicmiú
Ag feidhmiú mar gheata loighce, feidhmíonn an 74hc00 mar phríomh -chomhpháirt i gcruthú ciorcaid dhigitigh.Is féidir leat na heilimintí seo a úsáid chun córais dhigiteacha chasta a thógáil, rud a fheabhsaíonn cumhacht ríomhaireachtúil agus cumais phróiseála a chur chun cinn ar bhealaí nuálacha.
Comhtháthaíonn an
74HC00
74HC00
RENESAS
74HC00 ST SOP
In Stock: 6124 pcs
ceithre gheata NAND ar leith, agus dhá ionchur ag gach ceann acu aschur amháin.Braitheann an oibríocht ar thábla fírinne mionsonraithe.Go sonrach, ní thiteann an t -aschur go híseal ach amháin má tá an dá ionchur ard.Seachas sin, fanann an t -aschur ard - príomhghné i ndearadh loighic dhigiteach, ag feidhmiú mar chroí -chomhpháirt chun ciorcaid níos casta a dhéanamh.
Bíonn tionchar ag aiseolas dearfach ar an gcobhsaíocht ar fud na ngeataí seo.De réir mar a phróiseálann gach geata a chuid ionchur, déanann aiseolas stát aschuir seasmhach a threisiú, ag cothú feidhmíocht chomhsheasmhach.Sroichtear an chothromaíocht seo trí fhrithghníomhartha an gheata a chomhchuibhiú leis na luachanna ionchuir.Is féidir leat leas a bhaint as an ngné seo chun ciorcaid a chruthú a éilíonn stáit loighic iontaofa, ag nochtadh sraith de intuarthacht cinnte.
Feabhsaíonn na caolchúisí a bhaineann le dinimic ionchuir-aschuir laistigh de NAND Gates an poitéinseal do dhearaí ciorcaid sruthlínithe.I measc na n-iarratas coiteann tá smeach-flops a thógáil agus tascanna loighic a chur i bhfeidhm, mar shampla agus, nó ní oibríochtaí.Leagann an solúbthacht seo béim ar a nglacadh thar speictream comhthéacsanna, ó mheicníochtaí rialaithe simplí go creataí ríomhaireachta sofaisticiúla.
Ag machnamh ar fhóntas níos leithne an 74hc00, tá a fheidhmíocht iontaofa ábhartha i réimsí a chuimsíonn leictreonaic tomhaltóra go uathoibriú tionsclaíoch.Tugann an chumhacht chun na geataí seo a shocrú i gcreataí éagsúla loighciúla saoirse chruthaitheach shubstaintiúil, a spreagann nuálaíocht.Spreagann na príomhphrionsabail a bhaineann le Nand Gates réitigh oiriúnaithe le haghaidh constaicí teicneolaíochta uathúla.
Is geata NAND dhá-ionchur é an
74HC00
74HC00
RENESAS
74HC00 ST SOP
In Stock: 6124 pcs
atá deartha le cruinneas fíorálainn.Cuimsíonn sé meascán comhchuí de phraiticiúlacht agus sofaisticiúlacht theicneolaíoch.
Bheith
• Feidhmíonn sé ar raon leathan voltais
• Taispeánann sé moill iomadú tapaidh
• Oiriúnach d'oibríochtaí ardluais agus ísealchumhachta
Saintréithe Leictreacha
• Voltas agus sruth: Feidhmíonn an chomhpháirt seo thar leithead na leibhéal voltais, ag freastal ar éagsúlacht riachtanas dearaidh.
• Raon teochta: Feidhmíonn sé go hiontaofa ar shuíomhanna éagsúla teochta, rud a cheadaíonn inoiriúnaitheacht do dhálaí éagsúla comhshaoil.
Feidhmithe
• Úsáidí Ginearálta: Comhpháirt ildánach, faigheann sé áit i gciorcaid dhigiteacha iomadúla, ag comhlíonadh riachtanais ó thascanna laethúla go feidhmchláir chasta le grásta.
• Feidhmiúcháin shonracha: Ó leictreonaic tomhaltóra go meicníochtaí tionsclaíocha, comhtháthaíonn an 74hc00 gan stró, ag léiriú a fhóntais i ngach iarratas.
Taispeánann an sliseanna
74HC00
74HC00
RENESAS
74HC00 ST SOP
In Stock: 6124 pcs
inoiriúnaitheacht shuntasach, a bhíonn le feiceáil go minic i gcomhthéacsanna leictreonacha éagsúla a bhuíochas dá speictream leathan feidhmiúlachtaí.
Maolán agus tiomáint
Feidhmíonn an 74hc00 go hoiriúnach mar mhaolán nó mar thiománaí, ag cothú nascachta gan uaim thar chiorcaid.Trí thiteann voltais a íoslaghdú agus díghrádú comhartha a chiorrú, bunaíonn sé cumarsáid chomhsheasmhach idir comhpháirteanna.I leictreonaic phraiticiúil, is féidir leis an 74hc00 a fhostú mar mhaolán cumas microcontroller a threisiú chun il-LEDanna nó modúil sealaíochta a ghníomhachtú, gné go minic i dtionscadail DIY.
Oibríochtaí loighic
Cumasaíonn an tslis seo oibríochtaí loighic, mar shampla Nand Gates, a chruthaíonn croílár na gcóras casta.Leagann a chomhtháthú gan dua i gciorcaid loighic éagsúla béim ar a inúsáidteacht.I ndearadh digiteach, cuireann geataí NAND ar do chumas ciorcaid loighciúla sofaisticiúla a thógáil le níos lú comhpháirteanna, ag cur le inacmhainneacht agus le dlúthacht araon.
Comhtháthú Córais Leabaithe
Laistigh de chórais leabaithe, déanann an 74hc00 forghníomhú tascanna a shruthlíniú trí fheidhmeanna loighic a leabú laistigh de thionscnaimh microcontroller.
Fostaíonn go leor feistí IoT an tslis seo chun seiceálacha coinníollacha a fhorghníomhú agus chun feistí forimeallacha a bhainistiú, ag cur le sofhreagracht an chórais agus le spleáchas.
Tiontú leibhéal
Feidhmíonn an 74hc00 ról éifeachtach i gcomhshó leibhéal, ag coigeartú leibhéil chomharthaíochta i measc ciorcad éagsúil.Éascaíonn sé seo comhéadan réidh na gcomhpháirteanna le rátálacha voltais éagsúla.I gcásanna measctha voltais, mar shampla micrea-rialaitheoir 5V a nascadh le braiteoir 3.3V, déanann an 74hc00 an deighilt a dhúnadh go réidh, ag cinntiú comhroinnt sonraí beacht.
Ciorcaid uainiúcháin agus rialaithe
Tá ciorcaid uainiúcháin agus rialaithe ag an tslis freisin, a chabhraíonn le comhordú cúramach tascanna loighic seicheamhacha a chomhordú, feidhmchláir a fheabhsú mar chiorcaid líne moille agus giniúint chuisle.Cuireann ciorcaid uainiúcháin a scagadh leis an 74hc00 beacht i dtascanna cosúil le córais chumarsáide sioncronacha, ag cosaint dílseachta sonraí trí bhainistíocht ama mheabhrach.
Comparadóir digiteach le haghaidh comparáide dénártha
Feidhmíonn an 74hc00 mar chomparadóir digiteach do chomparáidí dénártha, atá oiriúnach do chinnteoireacht laistigh de chreataí digiteacha.Aithníonn sé comhionannas nó éagsúlacht idir figiúirí dénártha.Tríd an 74hc00 a fhostú le haghaidh comparáide dénártha tugtar bealach éifeachtach chun cinntí brainseach a chur i bhfeidhm i bprótacail dhigiteacha éagsúla, chun feidhmíocht an chórais a threisiú i ngníomhaíochtaí.
74hc00 bileog sonraí:
74hc00 Sonraí PDF74hc00 Sonraí PDF don Fr.pdf74hc00 Sonraí pdf do Kr.pdf74hc00 Sonraí PDF dó.pdf74hc00 Sonraí pdf do es.pdf
1. Cad é feidhmiúlacht an 74hc00?
Ionchorpraíonn an
74HC00
74HC00
RENESAS
74HC00 ST SOP
In Stock: 6124 pcs
ceithre gheata NAND 2-ionchur neamhspleách, ag feidhmiú laistigh de raon cumhachta 2.0V go 6.0V.Ag freastal ar chórais loighic dhigitigh, cuireann sé ar a gcumas oibríochtaí loighciúla a bhunú, atá mar chnámh droma ailtireachtaí digiteacha casta.
2. Cé mhéad geata NAND atá sa 74LS00?
Cuimsíonn an 74LS00 sraith de cheithre gheata NAND, gach ceann acu deartha le dhá ionchur agus aschur uatha.Is rogha choiteann é an chumraíocht seo agus aonaid á bhforbairt i leictreonaic dhigiteach.
3. Cad a dhéanann idirdhealú idir an 74hc00 agus an 74LS00?
Is é an príomhdhifríocht ná a n -inoiriúnaitheacht voltais.Oibríonn an 74hc00 laistigh de raon 2V go 6V, agus tá an 74LS00 srianta do sholáthar cumhachta 5V.Is minic a bhíonn an roghnú ag brath ar na héagsúlachtaí ar riachtanais iarratais agus ar fhachtóirí comhshaoil.
4. An féidir leat cur síos a dhéanamh ar an tsraith 74hc?
Sa tsraith 74hc tá ciorcaid chomhtháite CMOS ardluais, a thairgeann luasanna atá comhoiriúnach le TTL le tomhaltas cumhachta laghdaithe.Ceadaíonn a gcomhoiriúnacht le leagan amach bioráin an tsraith 74LS comhtháthú agus athsholáthar éasca i gciorcaid atá ann cheana féin.
5. Cad iad na feidhmchláir atá ag an 74hc00?
I gciorcaid dhigiteacha, tá an 74hc00 uirlise ina bhfuil gá le geataí loighic NAND le haghaidh inbhéartaithe comhartha agus gníomhartha loighic chasta a fhorghníomhú.Mar gheall ar a inoiriúnaitheacht is sócmhainn luachmhar é i gcomhthéacsanna oideachais agus i bhfiontair leictreonacha ghairmiúla.
Comhroinn an post seo